+7 (912)-751-33-24Заказать звонок
Заказать звонок

Оставьте Ваше сообщение и контактные данные и наши специалисты свяжутся с Вами в ближайшее рабочее время для решения Вашего вопроса.

Ваш телефон
Ваш телефон*
Ваше имя
Ваше имя

* - Поля, обязательные для заполнения

Сообщение отправлено
Ваше сообщение успешно отправлено. В ближайшее время с Вами свяжется наш специалист
Закрыть окно
arbatex@list.ru
Каталог товаров
Подписка на новости магазина

Подпишитесь на рассылку и получайте свежие новости и акции нашего магазина.

Описание товара:

Сельсин ДИ-150ТВ представляет собой электрическую машину с неявно выраженными полюсами.
Характеристики:
Напряжение, В
110±5,5
2 200 руб. / шт Цена не является конечной и требует уточнения у менеджера.
Загрузка
Рассчитываем стоимость доставки
Пожалуйста подождите, рассчет займет немного времени

Описание товара

Описание сельсина ДИ-150ТВ:


Сельсин ДИ-150ТВ представляет собой электрическую машину с неявно выраженными полюсами. Связь ротора с обмоткой происходит с помощью кольцевого трансформатора что в результате дает сельсинам ДИ-150ТВ хорошую надежность.

ХАРАКТЕРИСТИКИ СЕЛЬСИНА ДИ-150ТВ:


Режим работы - индикаторный;
Назначение сельсина ДИ-150ТВ - датчик;
Напряжение питания - 110В±5,5В;
Частота питающей сети - 500Гц±15Гц;
Потребляемая мощь, не более - 4,4Вт;
Максимальное напряжение синхронизации ДИ-150 - 48В±2В;
Потребляемый ток, не более - 0,33А;

Асимметрия нулевых точек сельсинов датчиков:


- 1 класс точности не более - от 0? до ±0,25?;
- 2 класс точности не более - свыше ±0,25? до ±0,5?;
Диапазон рабочих температур - от -40?С до +50?С;
Верхнее значение относительной влажности воздуха при 20?С - 98%;

Масса прибора сельсин ДИ-150, не более - 0,28кг;

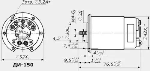
Габаритные размеры:


- длина - 76,5мм;
- диаметр - 52мм;


Вар-ты поиска:
ДИ-150ТВ, ДИ150ТВ, ДИ*150ТВ, ДИ-150ТВ, ДИ/150ТВ, сельсин ДИ-150ТВ, бесконтаткный сельсин ДИ-150ТВ, ДИ150ТВ, сельсин ДИ 150ТВ, сельсин ДИ-150ТВ цена, сельсин ДИ150ТВ цена, сельсин ДИ 150ТВкл.1, сельсин ДИ150ТВ кл.1, сельсин ДИ*150ТВ кл.2, ДИ-150ТВ двигатель, ДИ-150ТВ класс 1, ДИ150ТВ класс 1, ДИ150ТВ класс 2, ДИ-150ТВ класс 2, ДИ-150ТВ паспорт

Характеристики

Прочие
Напряжение, В110±5,5
Добавить отзыв
Ваша оценка:
Отправить отзыв

Похожие товары (8)

2 200 руб. / шт Цена не является конечной и требует уточнения у менеджера.
ДИ-150ТВ сельсин
Задать вопрос

Ваше имя*
Контактный телефон*
E-mail
Вопрос*

* - Поля, обязательные для заполнения

Сообщение отправлено
Ваше сообщение успешно отправлено. В ближайшее время с Вами свяжется наш специалист
Закрыть окно
Купить в один клик
Заполните данные для заказа
Запросить стоимость товара
Заполните данные для запроса цены
Запросить цену Запросить цену